Filter
By popularity (descending)
By popularity (descending)
Press Drives
Press Drives
Press Drives
Press Drives
Press Drives
Press Drives
Press Drives
Press Drives
Press Drives
Press Drives
Currently, the specialists of Cheltec have developed, manufactured, and launched a series of shutoff-regulating and distribution equipment for presses operating with water or water emulsion.
- Valves are made using modern technologies
- The design and geometry of the valves allow for increased operational life, service life, and maintainability
- All valve components in contact with water or water emulsion are made of corrosion-resistant alloys
- The valves are equipped with modern seals (seals are selected for the required medium)
- High reliability of tight closure of the flow section in emergency situations (patent No. 2334906)
- Reduced overall size while maintaining high technological performance and long service intervals (patent No. 96924)
- Impact loads are minimized
- Each valve is calculated individually
- The connection dimensions of all valves are maintained (if required)
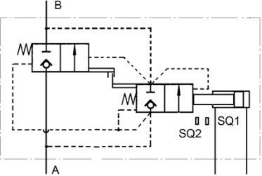
For presses operating with water and water emulsion, the following have been developed, manufactured, and put into operation:
- Shutoff-regulating valves for controlling the moving traverse of presses
- Two-valve distributors with hydraulic and electromagnetic control
- Overflow valves for filling tanks
- Safety valves
- Check valves
The equipment is operated at PJSC "VSMPO-AVISMA", Verkhnyaya Salda, JSC "Electrostal", Elektrostal, JSC "Uralkhimmash", Yekaterinburg, PJSC "Severstal"

