Font size
Background and font color
Images
Text scoring
Regular version of the site
URAL ENGINEERING CENTER
Full range of services for project development and implementation
+7 351 7 753 753
+7 351 7 753 753
Request a call
Email
tec@cheltec.ru
The address
Chelyabinsk, Rozhdestvenskogo St., 6
Working hours
Пн. – Пт.: с 9:00 до 18:00
Submit an application
Services
  • Service
    • Outsourcing or service maintenance
  • Automated process control systems (APCS)
    • Automated process control systems
  • Chrome plating
    • Innovative Chroming of Rotating Parts
  • Electrical equipment
    • Electrical Equipment. Electrical Installation
  • Engineering design
    • Comprehensive engineering and turnkey supply of complex technological facilities
  • Import substitution
    • Import substitution is real with UrIC
  • Installation of hydraulic equipment and piping systems
    • Hydraulic equipment and pipeline systems installation
  • Repair of hydraulic and pneumatic cylinders
    • Repair of hydraulic and pneumatic cylinders
  • Technical audit
    • Technical audit
Product Catalog
  • Filters and Filter Components
  • Pneumatic and Hydraulic Cylinders
  • Mobile Equipment
  • High-Pressure Hoses (HPH)
  • Refueling Units
  • Filtration Stations
  • Hydraulic Equipment and Assemblies
    • Proportional valves
    • Servo valves
  • Pump Stations
  • Hydraulic Equipment, Systems, and Solutions for High-Pressure Water Control
    • Press Drives
    • Slag removal hydraulic systems
Engineering
  • Forge and Press Production
    • Auxiliary Equipment
    • Comprehensive Solutions for Forging and Pressing Production
    • Forging Manipulator FMCH Series
    • Hydraulic Forging Presses FPCH Series
    • Overhaul and Modernization of Presses and Manipulators with Restoration of Key Components and Parts
    • Piping Layout and Installation
    • Shut-Off, Control, and Distribution Hydraulic Equipment
  • Machine-Building Complex
    • Competencies for the Machine Engineering Complex
    • Overhaul and Modernization of Plate Bending Machines
  • Mining and Metallurgical Complex
    • Metallurgical Industry
Testing Complexes
  • Test benches for discrete and proportional hydraulic equipment
    • Test bench for testing servo, proportional, and discrete equipment
    • Test bench for pumps, hydraulic cylinders, and hydraulic accumulators
  • Test benches for testing pumps, hydraulic motors, and accumulators
    • Test bench for pumps and hydraulic motors
  • Test benches for testing hydraulic cylinders
    • Test bench for hydraulic cylinders
  • Test benches for testing oil and gas pipelines under pressure up to 400 atm
    • Manufacturing of hydraulic equipment kits for drilling rigs (pumping stations, hydraulic cylinders, control panels
  • Test benches for hydraulic testing of cylinders for cyclic durability
    • Stand for hydraulic testing of cylinders for cyclic durability
  • Test benches for conducting durability tests of car struts
    • Testing Equipment
  • Stands for Assembly and Disassembly of Rolling Mill Rolls
    • Work roll stand
    • Work roll stand
  • Test benches (presses) for pressure testing of electric machine stators
    • Stands (presses) for crimping stators of electric machines
  • Test benches for static testing of railway cars
    • Hydraulic equipment for the static testing stand for railway cars SI-400
Projects
About the Company
  • About the Company
  • Our Team
  • History
Press center
Training. Seminars.
Contacts
en
ru
en
URAL ENGINEERING CENTER
Full range of services for project development and implementation
  • News
  • Presentation
  • FAQ
  • Contacts
  • ...
    +7 351 7 753 753
    +7 351 7 753 753
    Request a call
    Email
    tec@cheltec.ru
    The address
    Chelyabinsk, Rozhdestvenskogo St., 6
    Working hours
    Пн. – Пт.: с 9:00 до 18:00
    en
    ru
    en
    Services
    На главной, основной банер
    На главной, основной банер
    На главной, баннеры слева/справа от основного баннера
    На главной, баннеры слева/справа от основного баннера
    На главной, добавочные баннеры под основным баннером
    На главной, добавочные баннеры под основным баннером
    На главной, баннеры картинками
    На главной, баннеры картинками
    На главной, баннеры картинками (широкие)
    На главной, баннеры картинками (широкие)
    В широком меню
    В широком меню
    В бургерном меню
    В бургерном меню
    На главной, баннеры с фоном (тип1)
    На главной, баннеры с фоном (тип1)
    На главной, баннеры с фоном (тип2)
    На главной, баннеры с фоном (тип2)
    • Service
      Service
    • Automated process control systems (APCS)
      Automated process control systems (APCS)
    • Chrome plating
      Chrome plating
    • Electrical equipment
      Electrical equipment
    • Engineering design
      Engineering design
    • Import substitution
      Import substitution
    • Installation of hydraulic equipment and piping systems
      Installation of hydraulic equipment and piping systems
    • Repair of hydraulic and pneumatic cylinders
      Repair of hydraulic and pneumatic cylinders
    • Technical audit
      Technical audit
    Product Catalog
    На главной, основной банер
    На главной, основной банер
    На главной, баннеры слева/справа от основного баннера
    На главной, баннеры слева/справа от основного баннера
    На главной, добавочные баннеры под основным баннером
    На главной, добавочные баннеры под основным баннером
    На главной, баннеры картинками
    На главной, баннеры картинками
    На главной, баннеры картинками (широкие)
    На главной, баннеры картинками (широкие)
    В широком меню
    В широком меню
    В бургерном меню
    В бургерном меню
    На главной, баннеры с фоном (тип1)
    На главной, баннеры с фоном (тип1)
    На главной, баннеры с фоном (тип2)
    На главной, баннеры с фоном (тип2)
    • Filters and Filter Components
      Filters and Filter Components
    • Pneumatic and Hydraulic Cylinders
      Pneumatic and Hydraulic Cylinders
    • Mobile Equipment
      Mobile Equipment
    • High-Pressure Hoses (HPH)
      High-Pressure Hoses (HPH)
    • Refueling Units
      Refueling Units
    • Filtration Stations
      Filtration Stations
    • Hydraulic Equipment and Assemblies
      Hydraulic Equipment and Assemblies
    • Pump Stations
      Pump Stations
    • Hydraulic Equipment, Systems, and Solutions for High-Pressure Water Control
      Hydraulic Equipment, Systems, and Solutions for High-Pressure Water Control
    Engineering
    • Forge and Press Production
    • Machine-Building Complex
    • Mining and Metallurgical Complex
    Testing Complexes
    • Test benches for discrete and proportional hydraulic equipment
    • Test benches for testing pumps, hydraulic motors, and accumulators
    • Test benches for testing hydraulic cylinders
    • Test benches for testing oil and gas pipelines under pressure up to 400 atm
    • Test benches for hydraulic testing of cylinders for cyclic durability
    • Test benches for conducting durability tests of car struts
    • Stands for Assembly and Disassembly of Rolling Mill Rolls
    • Test benches (presses) for pressure testing of electric machine stators
    • Test benches for static testing of railway cars
    Projects
    About the Company
    • About the Company
    • Our Team
    • History
    Press center
    Training. Seminars.
    Contacts
      Submit an application
      URAL ENGINEERING CENTER
      +7 351 7 753 753
      +7 351 7 753 753
      Request a call
      Email
      tec@cheltec.ru
      The address
      Chelyabinsk, Rozhdestvenskogo St., 6
      Working hours
      Пн. – Пт.: с 9:00 до 18:00
      en
      ru
      en
      Submit an application
      URAL ENGINEERING CENTER
      Telephones
      +7 351 7 753 753
      Request a call
      Email
      tec@cheltec.ru
      The address
      Chelyabinsk, Rozhdestvenskogo St., 6
      Working hours
      Пн. – Пт.: с 9:00 до 18:00
      URAL ENGINEERING CENTER
      • Services
        • Services
        • Service
          • Service
          • Outsourcing or service maintenance
        • Automated process control systems (APCS)
          • Automated process control systems (APCS)
          • Automated process control systems
        • Chrome plating
          • Chrome plating
          • Innovative Chroming of Rotating Parts
        • Electrical equipment
          • Electrical equipment
          • Electrical Equipment. Electrical Installation
        • Engineering design
          • Engineering design
          • Comprehensive engineering and turnkey supply of complex technological facilities
        • Import substitution
          • Import substitution
          • Import substitution is real with UrIC
        • Installation of hydraulic equipment and piping systems
          • Installation of hydraulic equipment and piping systems
          • Hydraulic equipment and pipeline systems installation
        • Repair of hydraulic and pneumatic cylinders
          • Repair of hydraulic and pneumatic cylinders
          • Repair of hydraulic and pneumatic cylinders
        • Technical audit
          • Technical audit
          • Technical audit
      • Product Catalog
        • Product Catalog
        • Filters and Filter Components
        • Pneumatic and Hydraulic Cylinders
        • Mobile Equipment
        • High-Pressure Hoses (HPH)
        • Refueling Units
        • Filtration Stations
        • Hydraulic Equipment and Assemblies
          • Hydraulic Equipment and Assemblies
          • Proportional valves
          • Servo valves
        • Pump Stations
        • Hydraulic Equipment, Systems, and Solutions for High-Pressure Water Control
          • Hydraulic Equipment, Systems, and Solutions for High-Pressure Water Control
          • Press Drives
          • Slag removal hydraulic systems
            • Slag removal hydraulic systems
            • Hydraulic slag removal valves
            • Slag removal hydraulic blocks
      • Engineering
        • Engineering
        • Forge and Press Production
          • Forge and Press Production
          • Auxiliary Equipment
          • Comprehensive Solutions for Forging and Pressing Production
          • Forging Manipulator FMCH Series
          • Hydraulic Forging Presses FPCH Series
          • Overhaul and Modernization of Presses and Manipulators with Restoration of Key Components and Parts
          • Piping Layout and Installation
          • Shut-Off, Control, and Distribution Hydraulic Equipment
        • Machine-Building Complex
          • Machine-Building Complex
          • Competencies for the Machine Engineering Complex
          • Overhaul and Modernization of Plate Bending Machines
        • Mining and Metallurgical Complex
          • Mining and Metallurgical Complex
          • Metallurgical Industry
      • Testing Complexes
        • Testing Complexes
        • Test benches for discrete and proportional hydraulic equipment
          • Test benches for discrete and proportional hydraulic equipment
          • Test bench for testing servo, proportional, and discrete equipment
          • Test bench for pumps, hydraulic cylinders, and hydraulic accumulators
        • Test benches for testing pumps, hydraulic motors, and accumulators
          • Test benches for testing pumps, hydraulic motors, and accumulators
          • Test bench for pumps and hydraulic motors
        • Test benches for testing hydraulic cylinders
          • Test benches for testing hydraulic cylinders
          • Test bench for hydraulic cylinders
        • Test benches for testing oil and gas pipelines under pressure up to 400 atm
          • Test benches for testing oil and gas pipelines under pressure up to 400 atm
          • Manufacturing of hydraulic equipment kits for drilling rigs (pumping stations, hydraulic cylinders, control panels
        • Test benches for hydraulic testing of cylinders for cyclic durability
          • Test benches for hydraulic testing of cylinders for cyclic durability
          • Stand for hydraulic testing of cylinders for cyclic durability
        • Test benches for conducting durability tests of car struts
          • Test benches for conducting durability tests of car struts
          • Testing Equipment
        • Stands for Assembly and Disassembly of Rolling Mill Rolls
          • Stands for Assembly and Disassembly of Rolling Mill Rolls
          • Work roll stand
          • Work roll stand
        • Test benches (presses) for pressure testing of electric machine stators
          • Test benches (presses) for pressure testing of electric machine stators
          • Stands (presses) for crimping stators of electric machines
        • Test benches for static testing of railway cars
          • Test benches for static testing of railway cars
          • Hydraulic equipment for the static testing stand for railway cars SI-400
      • Projects
      • About the Company
        • About the Company
        • About the Company
        • Our Team
        • History
      • Press center
      • Training. Seminars.
      • Contacts
      Submit an application
      • +7 351 7 753 753
        • Telephones
        • +7 351 7 753 753
        • Request a call
      • Chelyabinsk, Rozhdestvenskogo St., 6
      • tec@cheltec.ru
      • Пн. – Пт.: с 9:00 до 18:00

      Slag removal hydraulic blocks

      2
      Main
      —
      Product Catalog
      —
      Hydraulic Equipment, Systems, and Solutions for High-Pressure Water Control
      —
      Slag removal hydraulic systems
      —Slag removal hydraulic blocks
      Filter
      By popularity (descending)
      By name (A-Z)
      By name (Z-A)
      By popularity (ascending)
      By popularity (descending)
      By price (cheap first)
      By price (expensive first)
      New arrival
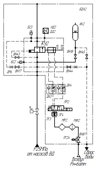
      ChatGPT  Normally open hydraulic slag removal block with accumulator BGS 150.25.2
      Slag removal hydraulic blocks
      ChatGPT Normally open hydraulic slag removal block with accumulator BGS 150.25.2
      On order
      Normally closed hydraulic slag removal block with accumulator BGS 150.25.1
      Slag removal hydraulic blocks
      Normally closed hydraulic slag removal block with accumulator BGS 150.25.1
      Catalog
      • Filters and Filter Components
      • Pneumatic and Hydraulic Cylinders
      • Mobile Equipment
      • High-Pressure Hoses (HPH)
      • Refueling Units
      • Filtration Stations
      • Hydraulic Equipment and Assemblies
        • Proportional valves
        • Servo valves
      • Pump Stations
      • Hydraulic Equipment, Systems, and Solutions for High-Pressure Water Control
        • Press Drives
        • Slag removal hydraulic systems
          • Hydraulic slag removal valves
          • Slag removal hydraulic blocks
      The goal of our company is to offer a wide range of products and services with consistently high service quality.
      +7 351 7 753 753
      +7 351 7 753 753
      Request a call
      Email
      tec@cheltec.ru
      The address
      Chelyabinsk, Rozhdestvenskogo St., 6
      Working hours
      Пн. – Пт.: с 9:00 до 18:00
      tec@cheltec.ru
      Chelyabinsk, Rozhdestvenskogo St., 6
      Services
      Service
      Automated process control systems (APCS)
      Chrome plating
      Electrical equipment
      Engineering design
      Import substitution
      Installation of hydraulic equipment and piping systems
      Repair of hydraulic and pneumatic cylinders
      Technical audit
      Product catalog
      Filters and Filter Components
      Pneumatic and Hydraulic Cylinders
      Mobile Equipment
      High-Pressure Hoses (HPH)
      Refueling Units
      Filtration Stations
      Hydraulic Equipment and Assemblies
      Pump Stations
      Hydraulic Equipment, Systems, and Solutions for High-Pressure Water Control
      About the company
      About the Company
      Our Team
      History
      Информация
      Пресс-центр
      .
      © 2026 УРАЛЬСКИЙ ИНЖИНИРИНГОВЫЙ ЦЕНТР
      Политика конфиденциальности
      Произвольный виджет